tel:
+86-13606193016email:
info@suhangmachine.comFeb 27, 2020
Z – Purlin is the new section in demand for constructing sheds. It is very widely used for roofing and cladding in place of hot rolled angles and channels as it offers many advantages, such as:
·
Saving in material
·
Z – Purlins can save up-to 30 to 40% material compared to the conventional sections for the same strength.
·
Easy erection
·
Saving in time
·
Saving in cost
|
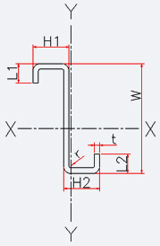
Description |
Maximum |
Minimum |
|
W |
300 |
80 |
|
H1 and H2 |
80 |
40 |
|
L1 and L2 |
25 |
10 |
|
t |
6 |
1.2 |
October 26, 2016
The Most Successful Engineering ContractorSep 19, 2025
Upright Rack Roll Forming Machine Shipped to Algeria