Cold roll formed sections-C & Sigma Channel

Feb 27, 2020

Channel is one of the very widely used members of the cold roll formed family. It is used in various different industries. Some of the uses for the channel are:


Chassis of Automobiles

Construction Industry

Scaffolding

Textile Industry

Material Handling

Storage

Conveyor



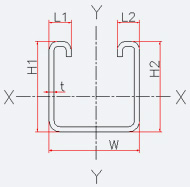
STRUT SECTION / SPECIAL ‘C’:

Section

W

H1 = H2

L1 = L2

t

DSTR-WxHxt

mm

mm

mm

mm

DSTR-41x41

41

41

10

1.2 To

DSTR-41x61

41

41

10

3.0



Sigma Profile Line

o Depth 140 to 255 mm

o Flange 75 mm standard

o Lip 20 mm standard


Cold rolled form sections-C Purlin
Light gauge steel framing roll forming machine ship to Australia